ABLIC HDL6M06502B High-voltage Analog Switch

ABLIC HDL6M06502B High-voltage Analog Switch is a 16-channel SPST analog switch with an active ground clamp, operated by a single 5V for ultrasound imaging applications. The HDL6M06502B includes four sets of four single-pole, single-throw (SPST) analog switches controlled by four logic inputs. The HDL6M06502B supports a unique pin-out which makes PCB traces more manageable.

Features

  • 0V to ±100V analog signal voltage range (10kHz to 20MHz signal frequency range)
  • 2A peak analog signal current per channel
  • 8Ω main switch on-resistance
  • 40kΩ bleed resistor on probe side
  • Low on/off-capacitance
  • -52dB off-isolation at 5MHz (load-independent)
  • -60dB switch crosstalk
  • 20Ω ground clamp switch on probe side alternately turned on/off with the main switch
  • DS_ASW to disable 20Ω ground clamp switch
  • 1.8V to 5V CMOS logic interface
  • Single +5V power supply (NO HIGH-VOLTAGE POWER SUPPLY required)
  • Low power dissipation (static 1mW)
  • Unique pin configuration for easy PCB traces (SPs on one side and STs on the opposite side)
  • 52-lead 8mm x 8mm QFN package (RoHS compliant)

Block Diagram

Block Diagram - ABLIC HDL6M06502B High-voltage Analog Switch

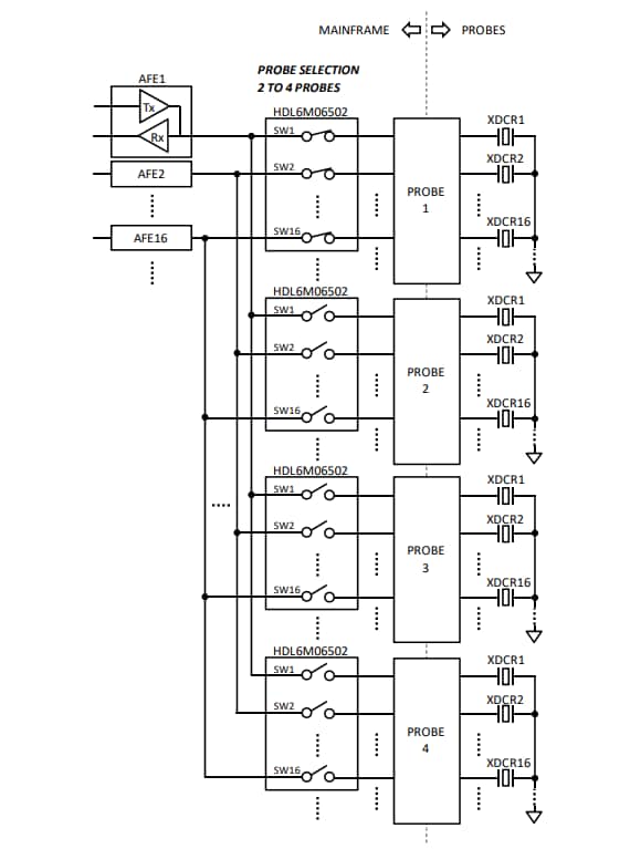
Application Circuit

Application Circuit Diagram - ABLIC HDL6M06502B High-voltage Analog Switch
Published: 2022-05-11 | Updated: 2023-09-14