Analog Devices Inc. ADRF5042/43 Si Non-Reflective 44GHz SP4T Switches

Analog Devices Inc. ADRF5042/43 Si Non-Reflective 44GHz SP4T Switches implement the silicon on insulator (SOI) process. The ADRF5042 features a 100MHz to 44GHz frequency range, an insertion loss of lower than 3.2dB, and isolation of higher than 35dB. The ADRF5042 Switch has an RF input power handling capability of 24dBm for both through and terminated paths.

The ADI ADRF5042 requires a dual-supply voltage of +3.3V and -3.3V. The device employs CMOS- and low voltage transistor-to-transistor logic (LVTTL)-compatible controls. The ADRF5042 has enabled and logic select controls to feature all off-state and port mirroring, respectively. The ADRF5042 is pin-compatible with the ADRF5043 low-frequency cutoff version, which operates from 9kHz to 44GHz.

The ADRF5042 Silicon Nonreflective SP4T Switch is available in a 24-terminal, 3mm x 3mm, RoHS compliant, land grid array (LGA) package with an operating temperature from -40°C to +105°C.

Features

  • 100MHz to 44GHz ultra wideband frequency range
  • Nonreflective 50Ω design
  • Low insertion loss
    • 1.8dB up to 18GHz
    • 2.8dB up to 40GHz
    • 3.2dB up to 44GHz
  • High isolation
    • 50dB up to 18GHz
    • 39dB up to 40GHz
    • 35dB up to 44GHz
  • High input linearity
    • 26dBm typical P0.1dB
    • 47dBm typical IP3
  • High power handling
    • 24dBm through path
    • 24dBm terminated path
  • All off-state control
  • Logic select control
  • No low-frequency spurs
  • 30ns settling time (0.1dB final RF output)
  • 24-terminal, 3mm x 3mm land grid array (LGA) package
  • Pin compatible with ADRF5043, low-frequency cutoff version

Applications

  • Industrial scanners
  • Test instrumentation
  • Cellular infrastructure-millimeter-wave (mmWave) 5G
  • Military radios, radars, and electronic countermeasures (ECMs)
  • Microwave radios and very small aperture terminals (VSATs)

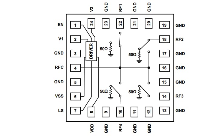
Block Diagram

Block Diagram - Analog Devices Inc. ADRF5042/43 Si Non-Reflective 44GHz SP4T Switches

Videos

ADRF5042 Frequency Graphs

ADRF5043 Frequency Graphs

Published: 2020-09-23 | Updated: 2024-11-11