Analog Devices Inc. LTC2937 Power Supply Sequencer/Voltage Supervisor
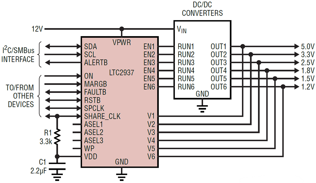
Analog Devices LTC2937 Power Supply Sequencer and Voltage Supervisor is a 6-channel power supply sequencer and voltage supervisor. Supplies are enabled or disabled with precise user-controlled order and time spacing. The LTC2937 accurately monitors supply turn-on/-off delays and output voltage levels to detect power supply output faults during sequencing and monitoring. In the event of a fault, response actions include a complete power supply shutdown and optional restarts. The root cause of power faults are logged on the EEPROM.A simple single-wire connection between multiple Analog Devices LTC2937 devices expands sequencing to 300 supplies for systems with high supply counts. After successful sequencing and supply voltage stabilization, the reset output pulls high to initiate the microprocessor or other system activity. The reset output can be disabled to accommodate supply margin testing. Integrated current sources are available upon supply turn-off as needed to discharge slowly decaying supplies. Configuration EEPROM supports autonomous operation without software.
Features
- Time and event-based sequencing
- 12 Programmable Undervoltage (UV) and Overvoltage (OV) comparators: ±0.75% accuracy
- I2C/SMBus interface
- Stalled power supply detection
- Single-wire synchronization allows controller expansion to 50 devices (300 power supplies)
- Configuration and fault logging in EEPROM
- EEPROM specified over the entire temperature range, rated to 125°C, 10k writes, 20yr retention
- Supported by LTpowerPlay® GUI
- Fault and system status registers
- Reset output with programmable delay
- 2.9V to 16.5V wide input supply voltage range
- 28-lead QFN (5mm × 6mm) package
Applications
- Network servers
- Data storage systems
- Telecom equipment
- High availability of computer systems
Typical Application
Published: 2019-07-03
| Updated: 2024-09-12
