ROHM Semiconductor BM2P095F PWM Type DC/DC Converter

ROHM Semiconductor BM2P095F PWM type DC/DC Converter features 650V built-in switching MOSFET and 650V starter circuit for low power consumption. This converter supports both isolated and nonisolated devices and enables the simpler design of various types of low-power electrical converters. The BM2P095F converter provides an optimal system for all products that include an electrical outlet. This converter offers open protection, short Protection, and per-cycle over-current protection circuit, soft start, and secondary over-current protection circuit. The BM2P095F converter operates at -40°C to 105°C temperature range, 0.50mA normal current, 0.30mA burst current, and 65kHz oscillation frequency. Typical applications include vacuum cleaners, humidifiers, air cleaners, air conditioners, IH cooking heaters, and rice cookers.

Features

  • PWM current-mode control
  • Burst operation when the load is light
  • Frequency reduction function
  • VCC pin under-voltage protection
  • VCC pin overvoltage protection
  • SOURCE pin open protection
  • SOURCE pin short protection
  • SOURCE pin leading-edge blanking function
  • Per-cycle over-current protection circuit
  • Soft start
  • Secondary over-current protection circuit

Specifications

  • -40°C to 105°C operating temperature range
  • 0.50mA normal operating current
  • 0.30mA burst operating current
  • 65kHz PWM frequency
  • 0.56W power dissipation

Applications

  • Household appliances:
    • Vacuum cleaners
    • Humidifiers
    • Air cleaners
    • Air conditioners
    • IH cooking heaters
    • Rice cookers
  • AC adapters

Application Circuit

Application Circuit Diagram - ROHM Semiconductor BM2P095F PWM Type DC/DC Converter

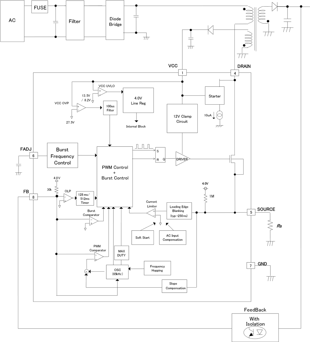
Block Diagram

Block Diagram - ROHM Semiconductor BM2P095F PWM Type DC/DC Converter
Published: 2021-02-16 | Updated: 2022-03-11