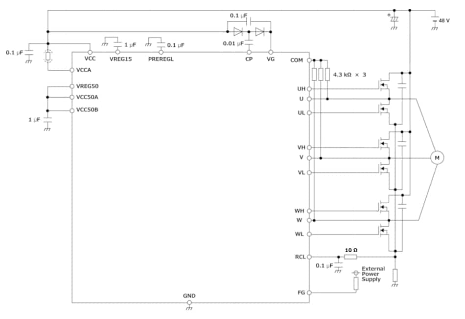
The BM64070MUV has a speed feedback control function and controls output PWM duty by adjusting the rotational frequency characteristics for the input PWM signal.
The BM64300MUV detects a rotor position by 3 hall sensors. In addition, silent and low vibration operations are implemented by making the output current a sine waveform.
Features
- BM64300MUV-
- Speed control on PWM duty input
- External output FET Nch+Nch
- Built-in boost voltage circuit
- 3 Hall sine wave drive
- Automatic lead angle control
- Motor pole select function
- Soft-start function
- Deadtime setting
- Current limit function
- Power save function
- Direction of rotation setting
- Short brake control
- Built-in protection functions (Motor Lock Protection [MLP], High-Speed Rotation Protection, Over Voltage Lock Out [OVLO], Under Voltage Lock Out [UVLO], Thermal Shutdown [TSD], Over Current Protection [OCP])
- BM64070MUV-
- Speed control on PWM duty input
- External output FET Nch+Nch
- Built-in boost voltage circuit
- Sensor-less sine wave drive
- Automatic lead angle control
- Deadtime setting
- Current limit function
- Power save function
- Direction of rotation setting
- Short brake control
- Speed feedback control
- Able to set motor rotation speed table and various parameters with the built-in OTP
- Built-in protection functions (Motor Lock Protection [MLP], High-Speed Rotation Protection, Over Voltage Lock Out [OVLO], Under Voltage Lock Out [UVLO], Thermal Shutdown [TSD], Over Current Protection [OCP]
Applications
- Fan motor
- Other general consumer equipment
Specifications
- BM64300MUV-
- 28V to 63V Operating supply voltage range
- 40kHz (Typ) Output PWM frequency
- 1.2mA (Typ) Standby current
- -40°C to +105°C Operating temperature range
- BM64070MUV-
- 28V to 77V Operating supply voltage range
- 6.4mA (Typ) Circuit Current (ICC)
- -40°C to +105°C Operating temperature range
Additional Resources
Published: 2021-09-15
| Updated: 2022-03-11
