Semtech GS3281 3G-SDI Re-timing Cable Drivers
Semtech GS3281 3G-SDI Re-timing Cable Drivers are low-power and multi-rate re-timing devices. These devices are designed to receive 100Ω differential input signals that automatically recover the embedded clock from the digital video signal. The Semtech drivers re-time the incoming data and transmit the re-timed signal over 75Ω coaxial cable. The integrated eye monitor provides a non-disruptive mission mode analysis, and the 256 x 128 resolution scan matrix allows accurate signal analysis. These equalizers include built-in macros that enable customizable cross-section analysis and quick horizontal and vertical eye-opening measurements. The GS3281 drivers are pin-compatible with the GS12181, GS12281 single input, and the GS12182 dual input 12G UHD-SDI multi-rate Re-timing cable driver. These GS3281 drivers are ideally used in cameras, switchers, distribution amplifiers, and routers.Features
- Dual non-inverted 75Ω cable interface with on-chip termination
- SMPTE ST 424, ST 292-1, and ST 259 compliant input/output
- 1Mb/s to 2.97Gb/s multi-standard operation
- In addition to standard SMPTE rates, the device also supports re-timing of DVB-ASI at 270Mb/s, and MADI at 125Mb/s
- Cable driver
- Wide swing control
- Pre-emphasis to compensate for significant insertion loss between device output and BNC
- Automatic/manual output slew rate control
- Manual or automatic re-timer bypass
- Manual or automatic mute or disable on LOS
- Trace equalizer
- Integrated 100Ω, differential input termination
- Automatic power down on loss of signal
- Adjustable carrier detect threshold
- DC-coupling from 1.2V to 2.5V CML logic
- Trace equalization to compensate for up to 60" FR4 at 2.97Gb/s
- Automatic input offset compensation
- CDR
- Manual or automatic rate modes
- Wide loop bandwidth control
- 125Mb/s, 270Mb/s, 1.485Gb/s, and 2.97Gb/s re-timing
Applications
- Cameras
- Switchers
- Distribution amplifiers
- Routers
Block Diagram
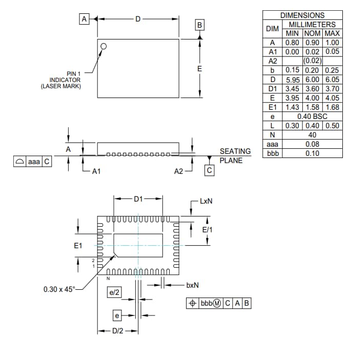
Dimensions
Additional Resources
Published: 2019-10-14
| Updated: 2023-06-15
