TE Connectivity SMI Low Pressure Digital/Analog Sensors
TE Connectivity's SMI Low Pressure Digital/Analog Sensors are MEMS sensors that produce fully conditioned, multi-order pressure and temperature-compensated output. These sensors utilize state-of-the-art pressure transducer technology and CMOS mixed-signal processing technology. These sensors provide a JEDEC standard SOIC-16 package with vertical or horizontal porting options. The SMI digital/analog sensors are available in gage, differential, and asymmetric differential configurations. The pressure ranges from 0.07PSI to 2.49PSI. These sensors feature dual porting that allows reference measurement to minimize errors due to changes in ambient temperature.The SMI low-pressure digital/analog sensors feature a total error band of ±1% FS (digital) and ±1.5% FS (analog). These sensors can be mounted directly on a standard printed circuit board, and a high-level, calibrated pressure signal can be acquired from the digital interface. This eliminates the need for additional circuitry, such as a compensation network or microcontroller containing a custom correction algorithm. Typical applications include ventilators, gas flow instrumentation, pressure transmitters, pneumatic gauges, pressure switches, and safety cabinets.
Features
- 0.07PSI to 2.49PSI pressure ranges
- Pressure type:
- Gage
- Differential
- Asymmetric differential
- 16-bit I2C digital and analog output interface available
- Total error band:
- ±1% FS (digital)
- ±1.5% FS (analog)
- Pressure calibrated and temperature-compensated output
- -20°C to 85°C compensated temperature range
Applications
- CPAP / sleep apnea
- Ventilators
- Gas flow instrumentation
- Air flow measurement
- HVAC / VAV
- Pressure transmitters
- Pneumatic gauges
- Pressure switches
- Safety cabinets
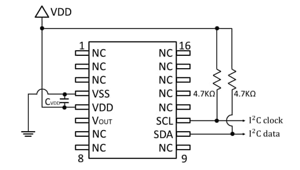
Typical Application Circuit
Published: 2025-06-09
| Updated: 2025-06-11
