Texas Instruments TCAL9538 8-Bit I/O Expanders

Texas Instruments TCAL9538 8-Bit I/O Expanders are developed for two-line bidirectional I2C bus (or SMBus) protocol and provide a 1.08V to 3.6V VCC operation. The TCAL9538 supports 100kHz (Standard-mode), 400kHz (Fast-mode), and 1MHz (fast-mode-plus) I2C clock frequencies. The I/O expanders offer a simple solution when additional I/Os are required for sensors, switches, push buttons, LEDs, fans, and more.

The TI TCAL9538 includes agile I/O ports with additional features designed to enhance the I/O performance in speed, power consumption, and EMI. The features are programmable output drive strength, programmable pull-up and pull-down resistors, latchable inputs, maskable interrupt, interrupt status register, and programmable open-drain or push-pull outputs.

Features

  • Operating power-supply voltage range of 1.08V to 3.6V
  • Low standby current consumption of 1µA typical at 1.8V
  • 1MHz fast mode plus I2C bus
  • Hardware address pin allows two devices on the same I2C, SMBus bus
  • Active-low reset input (RESET)
  • Open-drain active-low interrupt output (INT)
  • Input or output configuration register
  • Polarity inversion register
  • Configurable I/O drive strength register
  • Pull-up and pull-down resistor configuration register
  • Internal power-on reset
  • Noise filter on SCL or SDA inputs
  • Latched outputs with high-current drive maximum capability for directly driving LEDs
  • Latch-up performance exceeds 100 mA per JESD 78, class II
  • ESD protection exceeds JESD 22
  • 4000V Human-body model (A114-A)
  • 1000V Charged-device model (C101)

Applications

  • Servers
  • Routers (telecom switching equipment)
  • Personal computers
  • Personal electronics
  • Industrial automation
  • Gaming consoles
  • Products with GPIO-limited processors

Simplified Schematic

Schematic - Texas Instruments TCAL9538 8-Bit I/O Expanders

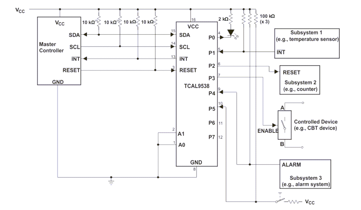
Typical Application Schematic

Schematic - Texas Instruments TCAL9538 8-Bit I/O Expanders

Logic Diagram (Positive Logic)

Block Diagram - Texas Instruments TCAL9538 8-Bit I/O Expanders
Published: 2024-01-25 | Updated: 2024-10-30