Texas Instruments TMP464 Remote & Local Temperature Sensor
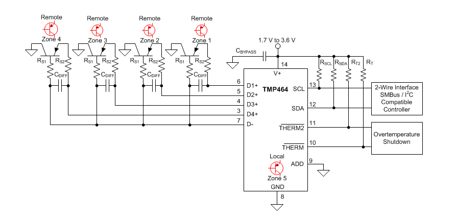
Texas Instruments TMP464 Remote and Local Temperature Sensor is a high-accuracy, low-power temperature sensor using a two-wire, SMBus, or I2C compatible interface. Up to four remote diode-connected temperature zones can be monitored simultaneously in addition to the local temperature. Aggregating the temperature measurements across a system allows improved performance through tighter guard bands and can reduce board complexity. A typical use case is for monitoring the temperature across different processors, such as MCUs, GPUs, and FPGAs, in complex systems such as servers and telecommunications equipment. The TMP464 device provides high accuracy (0.75°C) and high resolution (0.0625°C) measurement capabilities. The device supports low voltage rails (1.7V to 3.6V), common two-wire interfaces, and is available in a small, space-efficient package (3mm×3mm) for easy integration into computing systems.Features
- 4-Channel remote diode temperature sensor
- ±0.75°C (Maximum) Local and remote accuracy
- 0.0625°C Temperature resolution
- 1.7V to 3.6V Supply and logic voltage range
- 43µA Operating current (1SPS, all channels active)
- 0.3µA Shutdown current
- Remote diode has series resistance cancellation, η-factor correction, offset correction, and diode fault detection
- Register lock function secures key registers
- I2C or SMBus™ Compatible two-wire interface with pin-programmable address
- 16-pin VQFN Package
Applications
- MCU, GPU, ASIC, FPGA, DSP, and CPU temperature monitoring
- Telecommunication equipment
- Servers and personal computers
- Cloud Ethernet switches
- Secure data centers
- Highly integrated medical systems
- Precision instruments and test equipment
- LED Lighting thermal control
TMP464 Functional Diagram
Additional Resources
Published: 2017-10-18
| Updated: 2023-10-27
